版權所有@北京大風天利科技有限公司
軸流壓縮機防喘振仿真研究系統
產品名稱
軸流壓縮機防喘振仿真研究系統
產品描述
為了解決某大型軸流壓縮機用于鋼鐵廠TRT系統時存在頂壓控制不穩的問題,生產廠家與大風科技聯合開發了這套軸流壓縮機防喘振仿真研究系統,主要功能如下:
1. 實現對油系統的仿真,能正確反映主備泵切換、排油霧風機、潤滑油加熱器等對系統壓力、流量和溫度等的影響。
2. 能仿真排油霧風機對供油壓力的影響、油壓油溫對轉子溫度及軸瓦的影響、排氣壓力影響等。
3. 能精確仿真在壓縮機入口條件(溫度、壓力、空氣濕度、介質組分)、靜葉角度、防喘閥開度、送風閥開度變化時,對出口壓力、溫度、喉部差壓、流量、軸功率等的影響。
4. 能正確模擬喘振發生后、以及實現防喘振控制后的效果。
5. 能正確反映軸功率變化對電機電流和功率變化的影響。
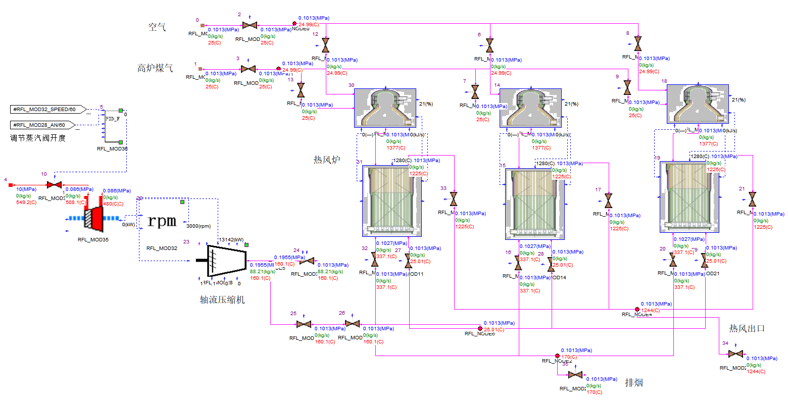
仿真模型使用大風科技的通用圖形化自動建模系統SimuBuilder開發,組態圖如下所示:

仿真系統模型組態圖
為了便于觀察運行數據和修改系統參數,按照現場運行畫面,使用大風科技的仿真實時圖形系統SimuMMI制作了人機界面,如下圖所示:

仿真系統人機界面
系統開發完成后,針對軸流壓縮機在使用過程中的各種工況進行了仿真實驗,并對控制策略進行了調整,解決了原來存在的TRT頂壓控制不穩、會出現喘振等問題,并將成果應用于實際,取得了良好的效果。
未找到相應參數組,請于后臺屬性模板中添加
暫未實現,敬請期待
暫未實現,敬請期待
暫時沒有內容信息顯示